Здесь мы покажем описание блоков предохранителей и реле Сузуки Джимни выпускавшихся в 1998, 1999, 2000, 2001, 2002, 2003, 2004, 2005, 2006, 2007, 2008, 2009, 2010, 2011, 2012, 2013, 2014, 2015, 2016 и 2017 годах, места их расположения, фотографии и схемы. Выделим предохранитель отвечающий за прикуриватель.
Блок под капотом
В Suzuki Jimny с бензиновыми двигателями он находится с левой стороны, рядом с аккумулятором. В дизельных — с правой стороны.
Вариант 1
Схема
Описание
| 1. | 80А ВАТТ (аккумуляторная батарея, генератор) |
| 2. | 50А ABS (модуль АБС) |
| 3. | 60А IG (замок зажигания) |
| 4. | 30А LAMP (освещение и пр. — цепь монтажного блока в салоне) |
| 5. | 30А LAMP (освещение и пр: — цепь монтажного блока в салоне) |
| 6. | 15А HEAD L (комбинация приборов, левая фара) |
| 7. | 15А HEAD R (правая фара) |
| 8. | 15А F1 (главное реле) |
| 9. | 15А А/С (реле и э/дв вентилятора конденсатора) |
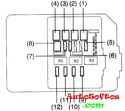
Вариант 2
Схема
Обозначения
| 1. | 50А Замок зажигания |
| 2. | 40А Мотор АБС |
| 3. | 40А Замок зажигания |
| 4. | 30А Саленоид АБС |
| 5. | 15А Сиситема управления двигателя |
| 6. | 15А Левая фара |
| 7. | 15А Правая фара |
| 8. | 50А Блок предохранителей в салоне |
| 9. | 15А Передние противотуманные фары |
| 10. | 20А Вентилятор |
| 11. | 30А Странтер |
| 12. | 20А Кондиционер |
- R1 — Реле топливного насоса
- R2 — Реле электродвигателя вентилятора конденсатора кондиционера
- R3 — Реле системы управления двигателем
Вариант 3
Схема
Назначение
| 1. | Реле электромагнитной муфты компрессора кондиционера |
| 2. |
|
| 3. |
|
| 4. | Реле нагревателя охлаждающей жидкости |
| 5. |
|
| 6. | Реле системы управления двигателем |
| F1. | (80A) Генератор |
| F2. | (30A) Электродвигатель вентилятора системы охлаждения |
| F3. | (50A) Система ABS |
| F4. | (60A) |
| F5. | (60A) Цепи замка зажигания |
| F6. | (15A) Левая фара |
| F7. | (15A) Правая фара |
| F8. | (20A) Электродвигатель вентилятора отопителя |
| F9. | (30A) Стартер |
| F10. | (30A) Электронный блок управления двигателем |
| F11. | (15A) Электромагнитная муфта компрессора кондиционера |
Блок в салоне
Расположен под панелью со стороны водителя.
Вариант 1
Схема
Расшифровка
| F1. | 10A Электродвигатель вентилятора отопителя |
| F2. | 15A/20A Обогреватель заднего стекла |
| F3. | 15A Очиститель, омыватель стекла |
| F4. | 15A Подогреватель сидений |
| F5. | 15A Предохранитель прикуривателя |
| F6. | 15A Обогреватель лобового стекла |
| F7. | 15A Аварийная сигнализация |
| F8. | 15A Радио |
| F9. | 10A Задний противотуманный фонарь(и) |
| F10. | 10A Иммобилайзер |
| F11. | 10A Стартер |
| F12. | 30A Электропривод стеклоподъемников |
| F13. | 15A Система управления двигателем |
| F14. | 20A Система управления 4WD |
| F15. | 10A Фонарь(и) заднего хода |
| F16. | 15A Система SRS |
| F17. | 10A Панель приборов |
| F18. | 10A Система ABS |
| F19. | 10A Электронный блок управления КПП |
| F20. | 10A Задние габариты |
| F21. | 15A Стоп-сигналы |
| F22. | 15A Центральный замок |
За прикуриватель отвечает предохранитель номер 5 на 15А.
Вариант 2
Схема
Полное обозначение на схемах
| A/C | кондиционер |
| ABS | АБС |
| ALT | генератор |
| ALT-S | генератор |
| AM | переключатель двигателя |
| DEF | обогреватель окон |
| DOME | освещение салона |
| DOOR | дверь |
| ECU | контрольный (управляющий ) модуль двигателя |
| EDU | контроль впрыска |
| EFI | система электронного контроля впрыска |
| ENG MAIN | главный двигателя |
| FAN | вентилятор |
| FOG | противотуманные фары |
| Fr | передний |
| F-TAIL | задние фонари |
| GAUGE | приборная доска, спидометр |
| HAZARD | аварийные сигналы |
| HAZ-TRN | аварийная сигнализация — повороты |
| HEAD | передние фары |
| HEAD LH | передние фары левые |
| HEAD RH | передние фары правые |
| HORN | звуковой сигнал |
| HTR | обогреватель |
| I/UP | холостой ход |
| IG | зажигание |
| IGN | зажигание |
| MAIN | главный |
| P/W | стеклоподъемник |
| POWER | питание |
| PWR | питание |
| RAD | радио |
| Rr | задний |
| SIG | прикуриватель |
| SPARE | запасной |
| ST | стартер |
| STOP | стоп-сигнал |
| TAIL | задние фонари |
| TURN | поворотники |
| WASH | стеклоомыватель |
| WIP | стеклоочиститель |
| WIPER | стеклоочиститель |
Доллар - 76.50 
Евро - 91.70 