Здесь вы найдете информацию с описанием предохранителей и реле Тойота Краун 150 и 170 со схемами блоков и местами их расположения. Отметим предохранитель прикуривателя.
Блоки с салоне
Общее расположение блоков в салоне
Описание
- монтажный блок со стороны водителя
- блок управления Multiplex
- блок реле со стороны водителя
- зуммер системы VSC
- реле системы предупреждения об оставленном в замке зажигания ключе (модели с двигателями 1G-FE)
- приемник системы дистанционного управления центральным замком
- центральный монтажный блок
- приемник навигационной системы (модели до 07.1997 г.)
- электронный блок управления двигателем
- блок управления приводом дроссельной заслонки
- монтажный блок №4
- усилитель
- датчик замедления (модели 4WD с двигателями 1JZ-GE)
- электронный блок управления блокировкой селектора
- электронный блок управления SRS
- датчик столкновения (модели до 07.1997 г.)
- электронный блок управления ABS
- электронный блок регулировки положения рулевой колонки
- электронный блок системы поддержания скорости
- блок управления EPS
Блок предохранителей
Вариант 1
В салоне основной блок предохранителей находится под панелью приборов, на стойке, за защитной крышкой.
Расположение
Схема
Обозначение
| 1. | 5A STARTER — Стартер |
| 2. | 20A DRRP/W — Электропривод стеклоподъемника задней правой двери |
| 3. | 20A Р FRP/W — Электропривод стеклоподъемника двери переднего пассажира |
| 4. | 20A PRRP/W — Электропривод стеклоподъемника задней левой двери |
| 5. | 30A ROOF — Люк |
| 6. | 10A TURN — Указатели поворотов |
| 7. | 10A HEATER — Панель управления отопителем, передним и задним кондиционерами |
| 8. | 7,5A PANEL — Подсветка пепельницы, комбинации приборов, выключателей и переключателей |
| 9. | 10A TAIL — Передние и задние габариты, подсветка номерного знака |
| 10. | 20A D FRP/W — Электропривод стеклоподъемника двери водителя |
| 11. | 20A DOOR — Центральный замок |
| 12. | 15A FOG — Противотуманные фары |
| 13. | 7,5A TRUNK — Система дистанционного управления замком багажника и крышкой топливозаправочного люка |
| 14. | 15A METER — Комбинация приборов и регулировка подсветки комбинации приборов |
| 15. | 15A SEAT HEATER — Подогрев сидений |
| 16. | 20A WIPER — Стеклоочистители и стеклоомыватели |
| 17. | 10A RADIO №2 — Многофункциональный дисплей |
| 18. | 10A IGN — Электронный блок управления двигателем |
| 19. | 30A D/SEAT — Электропривод сиденья водителя |
| 20. | 5A TV — Многофункциональный дисплей |
| 21. | 15A MIR HEATER — Подогреватель зеркал |
| 22. | 15A ECU-IG — Системы ABS, TRC, VSC, «круиз-контроль», автоматического включения/отключения фар |
| 23. | 15A LIGHTER — Прикуриватель, магнитола и часы |
| 24. | 30A P/SEAT — Электропривод сиденья переднего пассажира |
| 25. | 15A STOP — Стоп-сигналы |
За прикуриватель отвечает предохранитель номер 23 на 15А.
- R1 — главное реле
- R2 — реле габаритов
- R3 — реле освещения при повороте
- R4 — реле указателей поворотов
- R5 — реле противотуманных фар
Вариант 2
За прикуриватель отвечает предохранитель CIG на 15А.
Блоки под капотом
Вариант 1
Общая схема расположения
Назначение
- датчик абсолютного давления во впускном коллекторе (модели с двигателями 1G-FE, 1JZ-GE до 09.1996 г.)
- датчик абсолютного давления во впускном коллекторе(модели с двигателями 1JZ-GE, 2JZ-GE с 09.1996 г.)
- блок реле (модели с двигателями 1G-FE до 09.1999 г.)
- резистор топливного насоса (модели с двигателями 2JZ-GE)
- блок реле (модели с двигателями 1JZ-GE, 2JZ-GE)
- блок реле и предохранителей в моторном отсеке
- датчик системы SRS (передний правый) (модели с 07.1997 г.)
- датчик системы SRS (передний левый) (модели с 07.1997 г.)
Блок предохранителей и реле
Схема
Расшифровка
Предохранители
| 1. | 7,5A TRC — Блок управления VSC |
| 2. | 7,5A ROOM LAMP 2 — Центральный замок, часы, освещение багажника и салона |
| 3. | 5A ALT SENCING — Генератор |
| 4. | 20A EFI — Электронный блок управления двигателем |
| 5. | 20A RADIO №1 — Магнитола, многофункциональный дисплей |
| 6. | 20A AM2 — Электронный блок управления двигателем |
| 7. | 20A DOOR SUB — Центральный замок |
| 8. | 7,5A ELECTR2 — Кондиционер, круиз-контроль, ABS, TRC и SRS |
| 9. | 7,5A ROOM LAMP — Освещение передней и задней частей салона |
| 10. | 15A HAZARD — Аварийная сигнализация |
| 11. | 15A TELEPHONE — Телефон |
| 12. | 10A HORN — Звуковой сигнал |
| 13. | 15A HEAD (LH) — Левая фара |
| 14. | 15A HEAD (RH) — Правая фара |
| 15. | 7,5A REAR CON — Задний кондиционер |
| 16. | 5A l/UP — Блок управления двигателем |
| 17. | 15A HEAD RH (HI)*1 — Правая фара (дальний свет) |
| 5A l/UP 2*2 — Блок управления двигателем | |
| 18. | 15A HEAD RH (HI)*1 — Правая фара (дальний свет) |
| 19. | 30A FAN — Электродвигатель вентилятора |
| 21. | 15A ETCS — Электронное управление дроссельной заслонкой |
Реле
- R1 — реле отопителя
- R2 — главное реле системы впрыска
- R3 — реле стартера
- R4 — реле фар
- R5 — реле муфты компрессора кондиционера
- R6 — реле обогревателя заднего числа
- R7 — реле топливного насоса
- R8 — главное реле электропривода вентилятора
- R9 — реле электропривода вентилятора
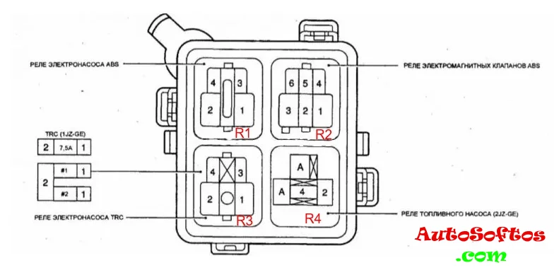
Блок реле
- R1 — реле электро насоса ABS
- R2 — реле электромагнитных насосов АБС
- R3 — реле электро насоса TRC
- R4 — реле топливного насоса
Вариант 2
Общая схема расположения
Описание
- датчик температуры воздуха на впуске
- клапан VVT
- электродвигатель привода дроссельной заслонки (ETCS)
- датчик положения дроссельной заслонки
- диагностический разъем DLC3
- катушка зажигания
- сектор дроссельной заслонки (с датчиком)
- электро пневмо клапан
- датчик абсолютного давления на впуске
- аккумулятор паров топлива
- топливный насос
- задний кислородный датчик
- датчик положения распределительного вала
- блок реле №1
- коммутатор
- датчик детонации
- кислородный датчик B2S1
- предохранитель «АМ» (50 А)
- форсунка
- кислородный датчик B1S1
- электронный блок управления двигателем
- датчик давления в системе усилителя рулевого управления
- датчик температуры охлаждающей жидкости
- датчик положения
- датчик детонации коленчатого вала
- предохранитель «EFI» (25 А)
- предохранитель «ETCS» (15 А)
- реле отключения топливо подачи
- главное реле системы впрыска
- предохранитель ST 5 A
- предохранитель «IG» (15 A)
- предохранитель «EFI 2» (10 A)
- предохранитель «ALT» (120 A).
Реле
Назначение
28380A РЕЗИСТЕР, ТОПЛИВНЫЙ НАСОС
82741 БЛОК, РЕЛЕ ДВИГАТЕЛЯ
89620 ЗАЖИГАТЕЛЬ В СБОРЕ
28371C РЕЛЕ, ЗАЖИГАНИЯ, NO.2
85927 РЕЛЕ, ОХЛАЖДАЮЩИЙ ВЕНТИЛЯТОР
89629 КРОНШТЕЙН, ЗАЖИГАТЕЛЬ В СБОРЕ
82660 БЛОК, РЕЛЕ, ОТДЕЛЕНИЕ ДВИГАТЕЛЯ
89438 ВЫКЛЮЧАТЕЛЬ, ДАВЛЕНИЯ МАСЛА ГУР
85927A РЕЛЕ, ВЕНТИЛЯТОР, NO.2
82662B КРЫШКА, РЕЛЕЙНЫЙ БЛОК, ВЕРХНИЙ, NO.2
82602 БЛОК SUB-СБОР, РЕЛЕ
85912 РЕЛЕ, ОТВОДИТЕЛЬ
82742 БЛОК, РЕЛЕ ДВИГАТЕЛЯ, NO.2
85941 РЕЛЕ, ШАЙБА ВЕТРОВОГО СТЕКЛА
89257 КОМПЬЮТЕР, ВЕНТИЛЯТОР
82663 КРЫШКА, РЕЛЕЙНЫЙ БЛОК, НИЖНИЙ
85916P РЕЛЕ, ФАРА
82663A КРЫШКА, РЕЛЕЙНЫЙ БЛОК, НИЖНИЙ, NO.2
85926 РЕЛЕ, ДИММЕР ФАРЫ
85916D РЕЛЕ, ПРОТИВОТУМАННАЯ ФАРА
89448A ДАТЧИК, ДАВЛЕНИЯ МАСЛА ГУР
85916F РЕЛЕ, УГЛОВАЯ ЛАМПА
86530 РЕЛЕ В СБОРЕ, РОГ
85934 РЕЛЕ, МАГНИТ-СЦЕПЛЕНИЕ
85941A РЕЛЕ, ШАЙБА ЗАДНЕГО ВЕТРОВОГО СТЕКЛА
Доллар - 76.50 
Евро - 91.70 