Здесь мы покажем описание предохранителей и реле Тойота Краун 13х 14х со схемами блоков и фото примерами их исполнения, которые выпускались в 1987, 1988, 1989, 1990, 1991, 1992, 1993, 1994 и 1995 году. За это время модель сменила поколение с обозначения S130 на S140. Отметим предохранитель прикуривателя.
Блок в салоне
В салоне основной блок предохранителей и реле находится под панелью со стороны водителя на стойке за защитной крышкой.

130
Схема реле
Описание
- Реле габаритов
- Реле обогревателя
- Реле обогревателя
- Реле стеклоочистителя
- Реле указателей поворотов
- Реле света салона
- Реле дверей
- Реле зеркал
Общее назначение предохранителей
- RADIO: аудиосистема;
- FOG: передние противотуманные фары;
- ENGINE: система управления двигателем;
- TURN: указатели поворотов и аварийная сигнализация;
- STOP: стоп-сигналы, верхний стоп-сигнал, антиблокировочная тормозная система, система круиз-контроля;
- ECU-B: мультиплексная коммуникационная система (система электропривода дверных замков, охранная система, система освещения при посадке, система дневного освещения, система беспроводного дистанционного устройства), система кондиционирования воздуха, задние противотуманные фары;
- CIG: прикуриватель;
- GAUGE: индикаторы и счетчики, часы, дисплей наружной температуры, многофункциональный дисплей, система блокировки переключения передач, лампы напоминания о ремнях безопасности;
- PANEL: подсветка ящика для перчаток, часы, дисплей наружной температуры, многофункциональный дисплей, подсветка панели приборов, подсветка приборной панели, индикаторная лампа выключения повышающей передачи;
- DOME: подсветка замка зажигания, освещение салона, персональные подсветки, освещение багажника, индивидуальные подсветки, часы, дисплей наружной температуры, многофункциональный дисплей;
- ECU-IG: пневмоподушки системы пассивной безопасности, электро стеклоподъемники, антиблокировочная тормозная система;
- SEAT HTR: обогреватели сидений;
- TAIL: задние фонари, стояночные фонари, подсветки номерных знаков;
- WIPER: стеклоочистители переднего стекла;
- HEATER: обогреватель;
Предохранитель прикуривателя обозначен как CIG.
140
Схема предохранителей
Схема реле
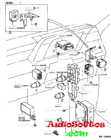
89140 КОМПЬЮТЕР, КОНТРОЛЬ ЗЕРКАЛА В СБОРЕ
85980 РЕЛЕ, УПРАВЛЕНИЕ ДВЕРИ
85900 РЕЛЕ, БЛОК УПРАВЛЕНИЯ
85940 РЕЛЕ, ОЧИСТИТЕЛЬ ВЕТРОВОГО СТЕКЛА
87989 РЕЛЕ, УПРАВЛЕНИЕ ЗЕРКАЛОМ
84550 ВЫКЛЮЧАТЕЛЬ, СТОЯНОЧНЫЙ ТОРМОЗ
85999R КРОНШТЕЙН, РЕЛЕ, NO.6
85985 РЕЛЕ, КЛЮЧЕВОЕ НАПОМИНАНИЕ
85999D КРОНШТЕЙН, РЕЛЕ, NO.4
82671D БЛОК, СОЕДИНИТЕЛЬНЫЙ
85961 РЕЛЕ, ФИКСАТОР ФАРЫ
82650 ВЫКЛЮЧАТЕЛЬ, ЭЛЕКТРИЧЕСКАЯ ЦЕПЬ, № 1
84340 ВЫКЛЮЧАТЕЛЬ В СБОРЕ, СТОП-ЛАМПА
85916N РЕЛЕ, ЗАДНИЙ ФОНАРЬ
82641 РЕЛЕ, ИНТЕГРАЦИЯ № 1
88291A КРОНШТЕЙН, КОНТРОЛЬ СКОРОСТИ, А
85930 РЕЛЕ В СБОРЕ, СИЛОВОЕ ОКНО
85916D РЕЛЕ, ПРОТИВОТУМАННАЯ ФАРА
85916F РЕЛЕ, УГЛОВАЯ ЛАМПА
81980 ПРОБКА В СБОРЕ, СИГНАЛ ПОВОРОТА
89390 РЕЛЕ, СИГНАЛИЗАЦИЯ ТОРМОЗА
89230 КОМПЬЮТЕР В СБОРЕ, НАКЛОННОЕ РУЛЕВОЕ УПРАВЛЕНИЕ
88630G РЕЛЕ В СБОРЕ, ОХЛАДИТЕЛЬ
Блок под капотом
Основной блок предохранителей и реле под капотом находится с левой стороны рядом с аккумулятором.
- HEAD — фары
- SEAT HTR — обогрев сидений
- EFI — система впрыска
- HAZARD — световая сигнализация
- АС COMP — компрессор кондиционера
- DOME — освещения салона
- CDS FAN — вентилятор конденсатора
- AM2 — цепь замка зажигания
- RAD No 1 — аудио система
Доллар - 76.50 
Евро - 91.70 